Aller au contenu.
|
Aller à la navigation
Outils personnels
Se connecter
Chercher par
Seulement dans le dossier courant
Recherche avancée…
Navigation
Accueil
HELP - CONTACTS
EULER Night Report
ASTRONOMY
FAQs
TECHNICAL PAGES
EULER schedule
Vous êtes ici :
Accueil
/
TECHNICAL PAGES
/
Composants de la station
/
BATIMENT
/
L105-LO_LOCAL_ORDINATEUR
/
UPS
/
Eaton_15kVA
/
Documentation_Observatoire
/
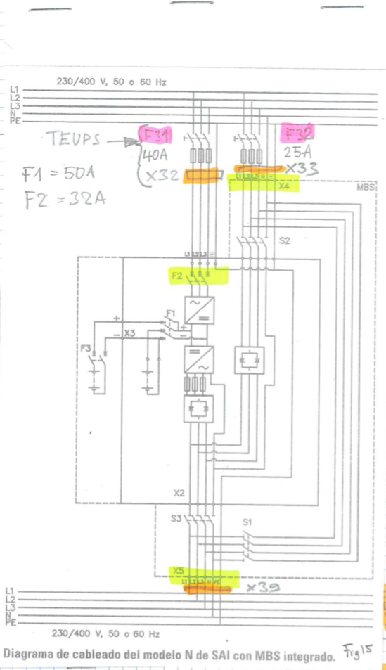
ObsGE - LS - UPS EATON - Mise en service 20190203-2.png
Info
ObsGE - LS - UPS EATON - Mise en service 20190203-2.png
Image dans sa taille originale :
274 ko
|
Voir
Télécharger
Documents
Accueil
HELP - CONTACTS
EULER Night Report
ASTRONOMY
FAQs
TECHNICAL PAGES
Composants de la station
COUPOLE
BATIMENT
DOCUMENTATION_GENERALE
L101-CR_COUPOLE_REZ
L201-CC_COUPOLE_CAILLEBOTIS
L301-CD_COUPOLE_DOME
L102-LP_LOCAL_POMPE
L103-LS_LOCAL_STOCKAGE (Bodega)
L104-SE_SAS_ENTREE
L105-LO_LOCAL_ORDINATEUR
TABLEAU_ELECTRIQUE
UPS
Eaton_15kVA
Photos
Documentation_Observatoire
ObsGE - LS - UPS EATON - Mise en service 20190203-3.png
ObsGE - LS - TEUPS-L105 - Modifs 20190203.pdf
ObsGE - LS - UPS EATON - Mise en service 20190203-1.pdf
ObsGE - LS - UPS EATON - Mise en service 20190203-2.png
Documentation_Eaton
Entretien
Liste des composants de la station connectés sur UPS
Photos
SWL750 DATASHEET
Climatiseur
Archives avant 2024
Archives avant 2025
VUE CIRCULAIRE
L106-LC_LOCAL_CORALIE
L107-SC_SALLE_DE_CONTROLE
L108-SB_SAS_BUREAU
L109-WC_SALLE_DE_BAIN
L110-BC_BUREAU_CUISINE
L401-GF_GROUPE_FROID
EXTERIEUR
Etat bâtiment 2023
INFORMATIQUE
SERVICES
TELESCOPE
TELESCOPE PNEUMATIQUE
TELESCOPE GROUPE FROID (Schwammle)
CORALIE
CORALIE CLIMATISATIONS
NECAM
KALAO
PISCO
Pièces de rechange (Google Sheets)
Inventaire des mini-moteurs en stock
Inventaire matériel connectique vide Pfeiffer
Matériel de maintenance
Matériel et pièces de rechange informatiques
Matériel électronique
Environnement PLC (liens)
Lakeshore: état octobre 2021
Matériel Beckhoff
Inventaires matériel Beckhoff à Genève
Inventaire La Silla : Alimentations/Disjoncteurs/Relais/Câbles
SPARE en Photo
Création d'un "historique"
Documentation
Maintenance
Projets
Modes d'emploi
Base de données des photos
EULER schedule
Actualités
Dimanche 12/12
07/01/2022
Lundi 13/12
07/01/2022
Mercredi 15/12
02/01/2022
Vendredi 17/12
16/12/2021
Jeudi 16/12
16/12/2021